カタログPDFを見る
※文中の(頁)は「栃木屋総合カタログ 71」の頁となります。
CADデータダウンロード
2D
DXF
3D
STP
IGS
X_T
SAT
PDF
日本語
ENGLISH
特長
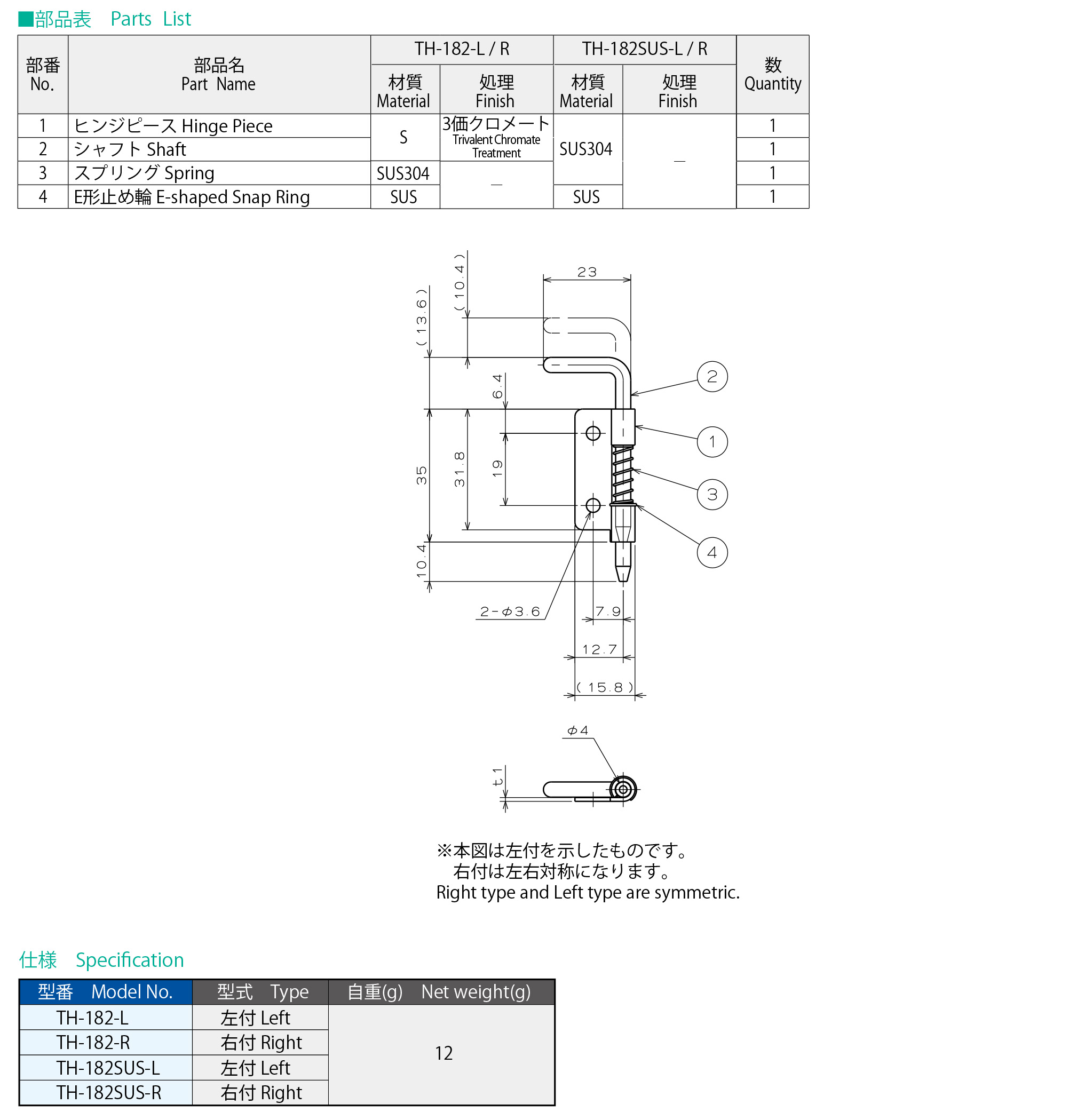
シャフトの抜差しにより扉を外すことができます。スプリング内蔵の為、シャフトの脱落を防ぎます。
Characteristic
The door can be removed by pulling the pin. The pin can not be removed by spring and circlip.
用途
配電盤・分電盤・各種筐体等
Application
Distribution boards / Distribution panels / Various types of boxes, etc.









